|
|
|
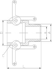
| Artikel-Nr. |
C |
A |
DN |
Gewicht |
D |
a |
L |
||
| 100B.G"050.Cam0050 |
1/2" |
R 1/2" |
15 |
0,21 kg |
42 |
14 |
54 |
||
| 100B.G"050.Cam0075 |
3/4" |
- |
15 |
0,21 kg |
42 |
- |
- |
||
| 100B.075.0075 |
3/4" |
R 3/4" |
20 |
0,24 kg |
42 |
19 |
54 |
||
| 100B.100.0100 |
1" |
R 1" |
25 |
0,35 kg |
48 |
25 |
63 |
||
| 100B.125.0125 |
1 1/4" |
R 1 1/4" |
32 |
0,58 kg |
58 |
30 |
71 |
||
| 100B.150.0150 |
1 1/2" |
R 1 1/2" |
40 |
0,73 kg |
65 |
37 |
72 |
||
| 100B.200.0200 |
2" |
R 2" |
50 |
0,93 kg |
75 |
48 |
79 |
||
| 100B.250.0250 |
2 1/2" |
R 2 1/2" |
65 |
1,40 kg |
90 |
60 |
89 |
||
| 100B.300.0300 |
3" |
R 3" |
80 |
1,70 kg |
106 |
68 |
90 |
||
| 100B.400.0400 |
4" |
R 4" |
100 |
2,65 kg |
137 |
98 |
99 |