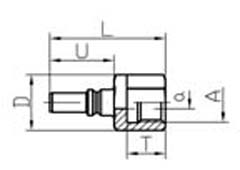
Stecknippel
mit Innengewindeanschluß DIN ISO 228 (Rohrgewinde)


Artikel-Nr.

A

a

U

L

D

T

DN

SW

 
101A.IG-1/8-03-1-

G 1/8"

3

15

27

13,8

9

3

12

 
101A.IG-1/8-03H1-

G 1/8"

3

14

26

13,8

9

3,5

12

 
                   
= Werkstoff: 71=1.4571, 04=1.4404, 01=1.4301, 39=1.4539,
BR=Stahl brüniert, VN=Stahl vernickelt, VZ=Stahl verzinkt
MC=Messing verchromt, MN=Messing vernickelt, MP=Messing passiviert
AB=Alu. blau, AR=Alu. rot, AS=Alu. silber
Anschluß DIN ISO 228 (Rohrgewinde)