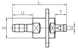
Verschlußnippel
mit Befestigungsscheibe








Artikel-Nr.

A

a

U

L

D

T

SW

   
101PES.SSL007-05-2-

SL7

4

21

56

42

12

     
101PES.SJG010-05-2

JG10

4

21

66

42

22

     
                   
= Dichtungswerkstoff: E=EPDM, P=Perbunan V=Viton, K=Kalrez, C=Chemraz